Supervision de la fonction trace (Chronogramme)

Affichage du chronogramme

NOTA
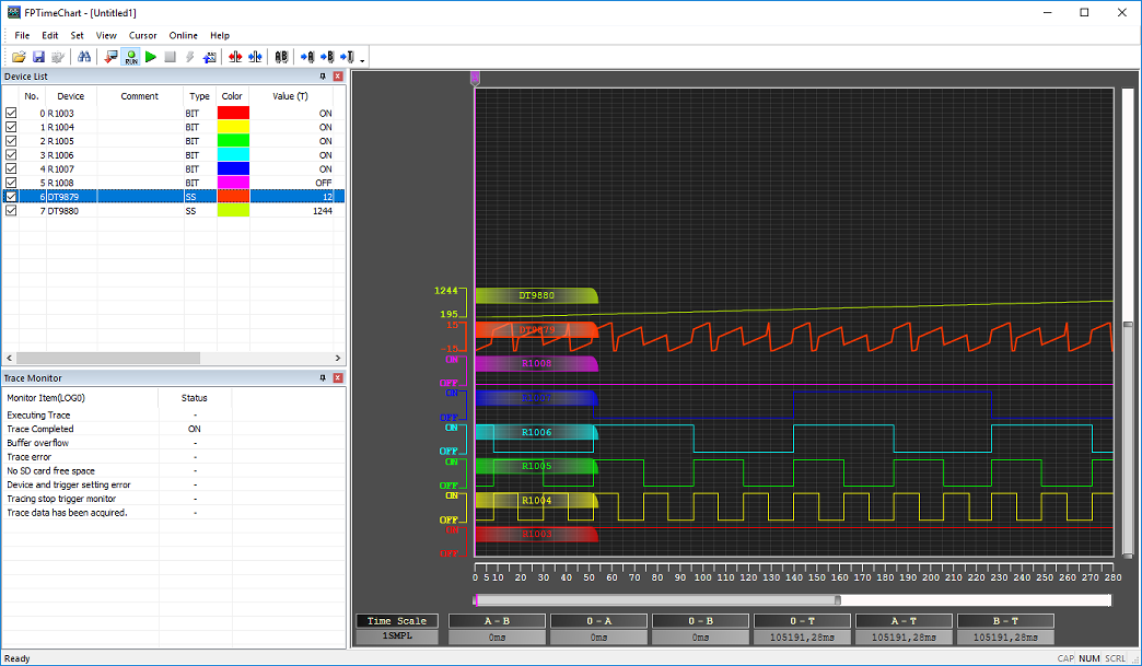
  • Le chronogramme permet de lire les données enregistrées sur l’automate à l’aide de la fonction trace et de les afficher sous forme de graphique.

  • Avant d’afficher le Chronogramme, le projet API avec les paramètres de la fonction trace doit être transféré vers l’automate.

  • Activez une seule configuration pour pouvoir l’afficher dans le Chronogramme

  • Lorsque la fonction trace a été sélectionnée, les modifications apportées aux entrées/sorties ou aux registres de données peuvent être contrôlées pendant une scrutation.

  1. En ligne > Mode en ligne
  2. Sélectionner API > Enregistrement des données à partir du navigateur de projet
  3. Activer une seule configuration Trace, par ex. Trace0
  4. Sélectionner Chronogramme pour démarrer l’application FPTimeChart
  5. Sélectionner Online > Upload Trace Data à partir de l’application FPTimeChart
    Lorsque la fonction Trace est en cours d’exécution, arrêtez-la avant de charger les données de la fonction trace
Conseil
  • Les conditions suivantes sont requises pour afficher un chronogramme.

    • Un seul numéro de configuration Trace est sélectionné.

    • Le LOG de destination est défini sur Trace.

    • Le drapeau de fin d’enregistrement des données de la destination par ex. LOG0 est TRUE. Lorsque le déclenchement de l’arrêt est détecté, les drapeaux sys_bIsLog0TraceStopTriggerDetected et sys_bIsLog0DataRecordingDone passent à TRUE.

  • Le chronogramme ne peut pas être activé pendant que la fonction enregistrement des données est exécutée.

  • Le registre de données système Espace disponible sur le tampon du LOG défini sur Trace doit toujours être zéro.

Restrictions relatives au chronogramme

Les restrictions relatives au chronogramme sont les suivantes.

  • Bien que 16 configurations de la fonction trace peuvent être exécutées dans l’automate (si tous les LOG sont exécutés pour la fonction trace), un seul LOG peut être affiché dans le Chronogramme.

  • 500 variables maxi. peuvent être enregistrées par LOG, cependant l’affichage des variables dans le chronogramme est restreint.

    • Dans le cas des entrées/sorties (registres de bits) : selon la résolution de l’affichage

    • Dans le cas des registres de données : jusqu’à six registres

  • Sur les graphiques, le temps ne peut pas être mesuré avec les curseurs (C, R) lorsque le fichier LOG affiché en tant que chronogramme contient les données enregistrées avec la fonction trace et une condition de déclenchement de l’enregistrement des données autre qu’un intervalle.

Modifié le : 2020-03-05Commentaires sur cette pageAssistance téléphonique